Объединённая двигателестроительная корпорация (ОДК, входит в Ростех) разработала способ управления и защиты газотурбинных двигателей (ГТД) при самопроизвольном изменении расхода топлива. Разработка направлена на повышение надёжности авиационных силовых установок.
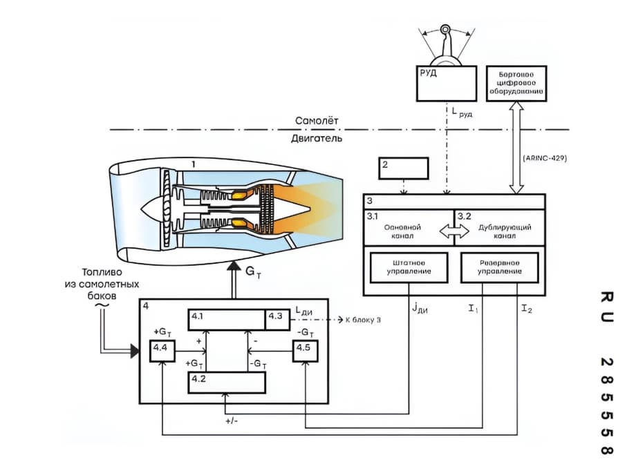
Новая система отслеживает положение дозирующей иглы в топливном узле в режиме реального времени. При отклонении от заданных параметров электронный регулятор мгновенно фиксирует неисправность и включает резервный механизм управления.
В отличие от прежних решений, система реагирует не на рост оборотов, а на первопричину — несанкционированное движение дозирующей иглы. Это позволяет предотвратить резкий перегрев, помпаж и разрушение элементов двигателя.
В конструкцию ввели два электромагнитных клапана, которые корректируют подачу топлива при его избытке или недостатке. Электроника автоматически возвращает параметры в рабочий диапазон, сохраняя тягу на требуемом уровне.
Технология станет особенно востребована для двигателей с системой управления FADEC, не имеющих резервных механических регуляторов.
Напомним, система FADEC уже успешно применяется на ряде современных российских авиадвигателей, обеспечивая эффективную работу без механического резервирования — ПД-14 для МС-21, ПД-8 для SJ-100, перспективном ПД-35 и ряде других.
Читайте ещё материалы по теме:
- Миллион сценариев аварий: уникальную защиту для самолётов создали в России
- Ключевые системы МС-21-310 удалось создать в России самостоятельно
- В МАИ создали устройство, которое сделает самолёты легче и экономичнее
Сейчас на главной
Минимальное повышение на трассе М-12, максимальное — в Подмосковье. Рост составил от 3,5% до 15%
Цена за версию Sport с форсированным двигателем будет свыше 2,35 млн рублей
Концерн «Калашников» наращивает выпуск высокоточного стрелкового оружия для силовиков
В основном беспилотник действует на расстоянии около 90 км
Навигация и бортовое оборудование прошли проверку в суровых условиях
Госиспытания корабля проходят на морском полигоне Балтийского флота
Противоракета создаст поле поражающих элементов в атмосфере
Производство деталей для новых внедорожников Sollers и УАЗ «Патриот» стартует после завершения пусконаладки
Современные белорусские «гармошки» вмещают до 160 пассажиров
Космонавта назначили командиром «Союза МС-31» в рамках миссии МКС-77
Аппарат, выполненный по схеме «бесхвостка», повторяет конструкцию российского БПЛА
Предприятие Уралвагонзавода, челябинский завод «ЧТЗ-Уралтрак», не оплатило счета за электричество