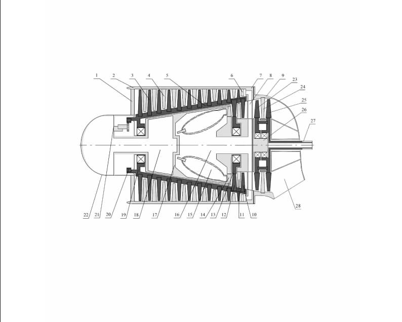
La Universidad Estatal de Lugansk que lleva el nombre de Vladimir Dahl propuso un nuevo esquema de motor turboeje con una turbina libre, que puede simplificar el diseño y aumentar la eficiencia tecnológica de la producción. La principal diferencia es la combinación del compresor y la turbina en un solo rotor.
Se propuso colocar las paletas del compresor fuera del tambor y las de la turbina dentro. Esta disposición reduce el número de nodos, simplifica el montaje y reduce los requisitos de sincronización de los elementos.
Los diseñadores también rediseñaron el sistema de suministro de aire. Los canales están integrados directamente en los elementos de potencia: los soportes y la carcasa no solo realizan una función de soporte, sino que también participan en la dinámica de gases. La cámara de combustión se transfirió a una carcasa interna con una cavidad anular, lo que simplificará el suministro de aire comprimido y combustible.
Se prestó especial atención a la turbina libre. Funciona en un mismo eje con el compresor, pero está mecánicamente desacoplada en cuanto a sus funciones. El flujo de gases pasa secuencialmente a través de dos etapas, transfiriendo energía al eje de salida, que puede utilizarse para accionar una hélice o un generador.
El efecto clave es la reducción de la complejidad. En lugar del esquema clásico con nodos separados, los ingenieros, de hecho, "ensamblaron el motor en un solo tambor". Esto reduce el peso, potencialmente reduce el costo y simplifica el mantenimiento.
Estas soluciones son especialmente importantes para la aviación ligera, los helicópteros y las instalaciones de energía, donde la fiabilidad y la facilidad de reparación son críticas.
Lea más materiales sobre el tema:
- "Máquinas de potencia" aceleran la producción de turbinas al doble
- Los motores del Il-76MD se convirtieron en turbinas con una vida útil de 5 millones de horas y hacen girar centrales eléctricas
- Los extranjeros no pagaron a ODK 2,1 millones de dólares por las turbinas
Ahora en la página principal
El periodista militar Kirill Fiódorov: UVZ produce hasta 230 vehículos de combate de esta serie al año
La serie de tres buques se construye en las instalaciones de la empresa "Stroyliderplyus"
Las obras fueron realizadas por la draga de cangilones "Kubán-2"
El gas de Yamal representó el 97% de los suministros a la UE en medio de los preparativos formales para un embargo total
El lanzamiento tendrá lugar no antes de julio de 2026
La instalación soportará el vacío, la radiación y dos semanas de noche lunar a −150°C
La agencia contó más de tres mil programas registrados para la órbita
El fundador de Telegram calificó el cifrado de su competidor como una mentira y se refirió a una demanda judicial real
Las solicitudes se aceptan hasta el 30 de junio
La nueva construcción mejora la eficiencia y las características de consumo del dispositivo
Un nuevo método permite sintetizar polifenilsulfona con alta densidad aparente de forma más rápida y eficiente