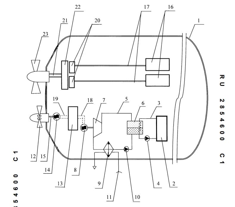
Инженер Николай Кириллов представил собственную схему новой ракетной подводной лодки с комбинированной энергетической установкой. Разработка нацелена на повышение эффективности хода, ресурса двигателей и управляемости лодки как на поверхности, так и под водой.

Решение объединяет дизельный маршевый привод и вспомогательную атомную систему малой мощности, патент уже зарегистрировали в базе данных ФИПС.

Разработка нацелена на повышение эффективности хода, ресурса двигателей и управляемости лодки как на поверхности, так и под водой.

Согласно задумке, маршевый режим обеспечивает гребной вал с винтом фиксированного шага, связанный через редуктор и муфты с дизельными двигателями. Это позволяет держать моторы в оптимальном режиме и снижать износ. Для экономичного подводного хода используется отдельный вал с электродвигателем и винтом регулируемого шага, питаемым от аккумуляторов.

Ключевой элемент — двухконтурная вспомогательная атомная установка с водоохлаждаемым реактором низкого давления и органическим циклом Ренкина. Она постоянно вырабатывает электроэнергию, подзаряжает батареи и снижает нагрузку на дизели. Такая схема повышает надёжность, улучшает регулирование скорости и уменьшает экологические риски за счёт изоляции радиоактивного контура.

Комбинация механического и электрического приводов позволяет гибко распределять мощность, сокращать расход топлива и повышать автономность подводной лодки без усложнения эксплуатации.

Читать ещё материалы по теме:

Источники
ФИПС

Сейчас на главной

Cерию фрикционных слиповых лебедок с тяговым усилием 20/80 т изготовили на KMZ
35 минут назад
Cерию фрикционных слиповых лебедок с тяговым усилием 20/80 т изготовили на KMZ

Устройство гарантирует безопасное и контролируемое перемещение судов из воды на сушу и обратно

Новости Промышленность КМЗ
Андрей Рудковский
Гусеничную версию радиоуправляемого аэродрома для дронов «Муравей» разрабатывают в России
38 минут назад
Гусеничную версию радиоуправляемого аэродрома для дронов «Муравей» разрабатывают в России

Портативная тележка для взлёта беспилотников получила помехозащищённую связь «Гермес»

Новости Военная техника НПО «Кайсант»
Юлия Шелковенко
Defence blog: Российский боевой лазер «Кочевник» — китайская разработка
1 час назад
Defence blog: Российский боевой лазер «Кочевник» — китайская разработка

Военный эксперт Малясов: Система ближнего действия Silent Hunter поражает беспилотники

Статьи Военная техника
Юлия Шелковенко
Огнедышащая «Тосочка» полностью сменила предназначение
1 час назад
Огнедышащая «Тосочка» полностью сменила предназначение

Боевая машина вышла за рамки штурмового средства прорыва

Новости Военная техника
Максим Борисов
От Ил-96-300 не отказались: стал известен крупный заказчик на широкофюзеляжники
1 час назад
От Ил-96-300 не отказались: стал известен крупный заказчик на широкофюзеляжники

Авиаэксперт Пантелеев: лайнером интересуются госструктуры

Новости Авиация ПАО «Ил»-ВАСО
Максим Борисов
НПЦ «Техносфера» объединит разработчиков дронов на Кубани
1 час назад
НПЦ «Техносфера» объединит разработчиков дронов на Кубани

Порядка 9 производителей беспилотных систем работают в Краснодарском крае

Новости Авиация
Юлия Шелковенко
Новая ракета «Хризантема-М» для Ка-52 «Аллигатор» стала сверхзвуковой
1 час назад
Новая ракета «Хризантема-М» для Ка-52 «Аллигатор» стала сверхзвуковой

Экипажи вертолётов больше не входят в зону действия ПЗРК

Новости Военная техника
Максим Борисов
«Конкуренция великих держав»: на Западе отреагировали на учения России, Китая и Ирана в Ормузском проливе
1 час назад
«Конкуренция великих держав»: на Западе отреагировали на учения России, Китая и Ирана в Ормузском проливе

В манёврах задействован корвет «Стойкий» проекта 20380

Статьи Военная техника ВМФ России ОСК
Юлия Шелковенко
Концерн «Калашников» уличили в копировании израильского боеприпаса Hero-90
1 час назад
Концерн «Калашников» уличили в копировании израильского боеприпаса Hero-90

Defence blog: «Рус-ПЭ» имеет аналогичную X-образную аэродинамическую конфигурацию

Статьи Военная техника АО «Концерн «Калашников» 1
Юлия Шелковенко
Производитель Ил-96-400М увеличивает испытательную полосу: «сталинки» отправят под снос
1 час назад
Производитель Ил-96-400М увеличивает испытательную полосу: «сталинки» отправят под снос

Запрос ВАСО на проект рассмотрит мэрия Воронежа

Новости Авиация ПАО «Ил»-ВАСО
Максим Борисов
Ракетную подводную лодку с гибридной энергоустановкой и циклом Ренкина изобрёл инженер из России
1 час назад
Ракетную подводную лодку с гибридной энергоустановкой и циклом Ренкина изобрёл инженер из России

Задумка повысит ресурс и управляемость двигателей

Новости Военная техника
Максим Борисов
18 февр. 2026 г., 20:01:07
Ядерный дата-центр и туннель на Аляску: США и Россия начали вести переговоры о новых проектах

Страны также обговаривают сделки по редкоземельным металлам

Новости Промышленность Правительство РФ Правительство США 1
Алина Шруб